This website requires JavaScript.
Explore
Help
Sign in
hkzlab
/
TK2000_DiskInterface_REDUX
Watch
1
Star
0
Fork
You've already forked TK2000_DiskInterface_REDUX
0
mirror of
https://codeberg.org/hkzlab/TK2000_DiskInterface_REDUX.git
synced
2025-12-26 01:22:27 +11:00
Code
Issues
Projects
Releases
Packages
Wiki
Activity
036c9b284d
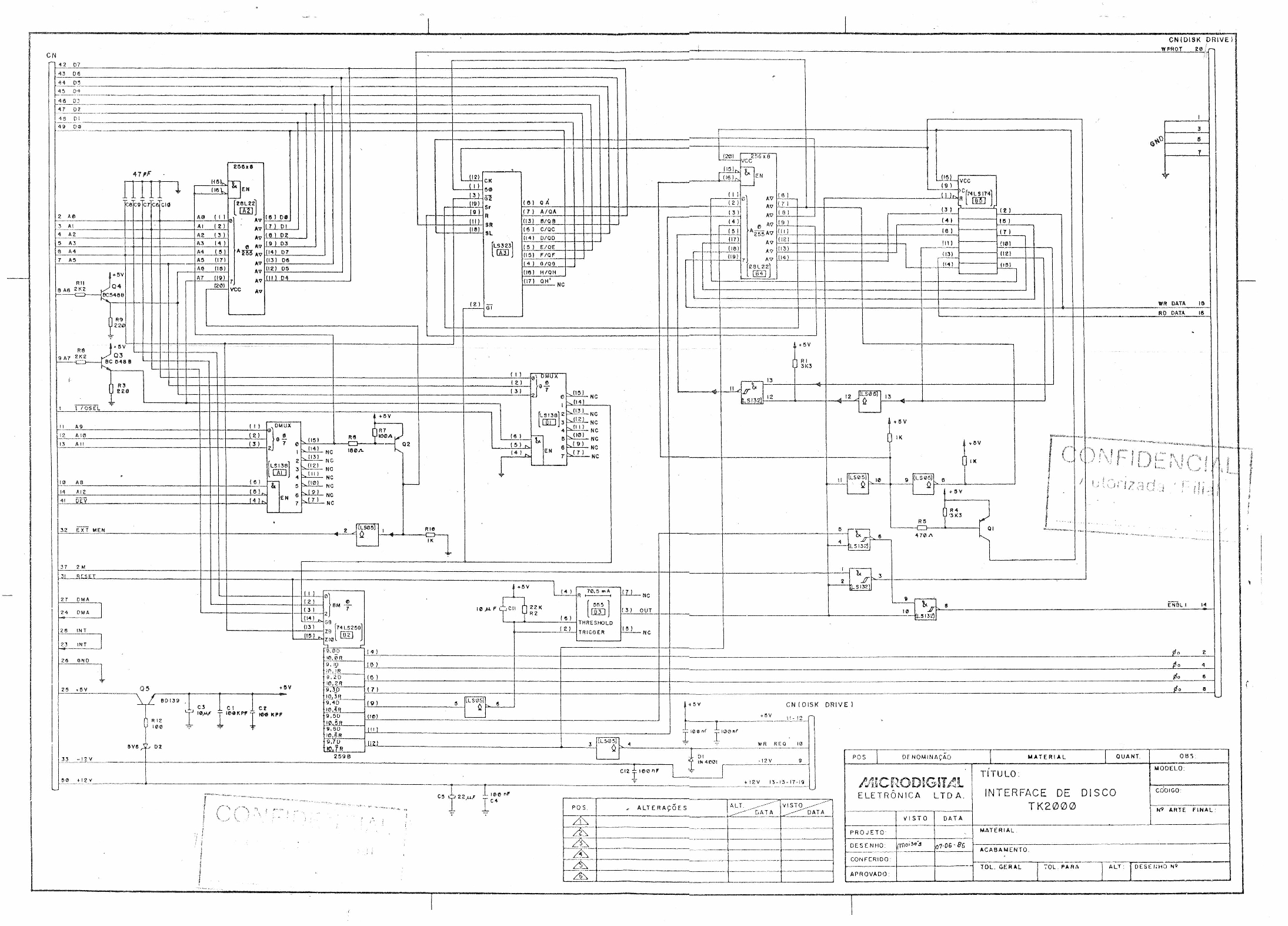
TK2000_DiskInterface_REDUX
/
docs
/
tk2000_dsk_esquema.JPG
hkz
cdfca81f3d
Add basic documentation and ROM dumps
2025-06-07 09:07:52 +02:00
1,005 KiB
2190x1574px
Raw
History